HEQ系列S型智能直行程閥門電動裝置采用數字集成芯片、絕對編碼器、全中文菜單操作和顯示、機電一體化的結構設計,具有調試簡單、操作方便、防護性強、可靠性高,性能穩定等優點。適用于蝶閥、球閥、旋塞閥和風門等做角行程運行的閥門,用于閥門的開啟、關閉或調節控制,可遠距離控制,也可現場操作。廣泛用于電力、冶金、石油、化工、食品、紡織、造紙、制藥、水廠和污水處理等行業。
產品概述
HEQ系列S型智能直行程閥門電動裝置采用數字集成芯片、絕對編碼器、全中文菜單操作和顯示、機電一體化的結構設計,具有調試簡單、操作方便、防護性強、可靠性高,性能穩定等優點。適用于蝶閥、球閥、旋塞閥和風門等做角行程運行的閥門,用于閥門的開啟、關閉或調節控制,可遠距離控制,也可現場操作。廣泛用于電力、冶金、石油、化工、食品、紡織、造紙、制藥、水廠和污水處理等行業。
S型智能閥門電動裝置采用非侵入式設計,所有電器部件都密封在鋁合金外殼內,對裝置的操作通過遙控器或現場按鍵就地操作。現場按鍵、旋扭操作采用圓柱磁鋼感應式設計,淘汰了傳統的旋扭貫通軸設計,使整體電動裝置控制更精確,防護更可靠。
該產品為戶外使用型,防護等級為IP67。
普通型閥門電動裝置依據標準:B/T8219-2016《工業過程測量和控制系統用閥門電動裝置》
型號規格表示方法(S型)

產品特性
全中文顯示操作菜單,實時漢字顯示閥位值、報警信息、操作狀態及方式,直觀、易學、易懂、易操作:
采用絕對編碼器代替傳統電位器作位置傳感器,實現角度任意定位,無死區,控制精度更高,壽命更長;
電動裝置的功能、參數設定,通過遙控器或現場旋扭操作,無需開蓋調試,真正實現非侵入式設計:
電動裝置的控制系統具有自動鑒別相序、斷相、過熱、過載保護,ESD緊急操作功能;
多種控制方式,開關、調節隨意切換使用,遠程開關量多種接線方式,可采用無源觸點控制、兩線控制、外部電壓輸入控制:
現場按鍵、旋鈕采用不穿透設計,提高整機密封特性:
設置電動裝置監視繼電器,為DCS系統提供綜合故障信號;
輸入/輸出信號通道均經過光電隔離,可承受2000V浪涌電壓。
工作環境
動力電源(任選):
三相:AC380V、AC415V、AC440V; ±10% 50/60Hz;
單相:AC110V、AC220V; ±10% 50/60Hz;
直流:DC24V±10%.
重復精度(調節精度)±1%。
死區:0.3%~9.9%可調。
信號丟失位置設定:“保位”、“全關”、“全開”3個任意切換
產品為戶外型,其防護等級為IP67。
環境溫度:(防爆型)-25~50℃,(非防爆型)-25~70℃;環境相對濕度不大于90%(25℃)。
海拔高度不大于1000m.
工作環境中不含強腐蝕性介質。
非隔爆型產品不得在有爆炸性混合氣體的環境中使用。
工作制:1200次/小時 S4-40%。
無強烈振動工況。
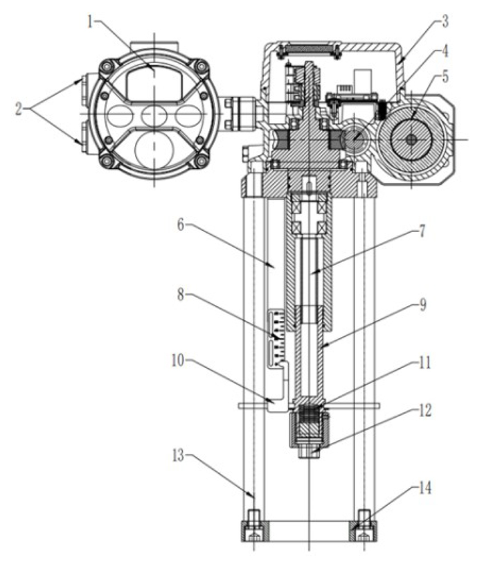
Product Structure
(1) 電氣箱 (2) 電纜接頭2個NPT3/4 (3) 箱罩 (4) 蝸桿 (5) 電機 (6)刻度尺板 (7)行程傳動絲桿 (8)刻度尺 (9)傳動銅螺母 (10)折彎指針 (11)蝶簧 (12)連接套(與閥桿連接) (13)支撐柱 (14)支撐法蘭(與閥門平臺連接) | ![]() |
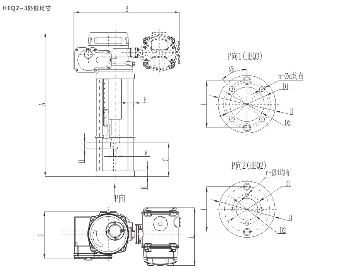
產品尺寸參數

| 尺寸 | A | B | B1 | C | D | D1 | D2 | n-d4 | E | F | L | L1 | H | I | M1 |
| 型號 | |||||||||||||||
| HEQ2-03 | 468 | 392 | 131 | 95 | 155 | 80 | 60 | 4-Φ10 | 24 | 156 | 240 | 97 | 25 | 155 | M10 |
| HEQ2-04 | 468 | 392 | 131 | 95 | 155 | 80 | 60 | 4-Φ10 | 24 | 156 | 240 | 97 | 25 | 155 | M10 |
| HEQ3-06 | 535 | 445 | 171 | 130 | 159 | 105 | 80 | 4-Φ12 | 24 | 201 | 240 | 97 | 25 | 159 | M12*1.25 |
| HEQ3-10 | 615 | 445 | 171 | 140 | 159 | 118 | 95 | 4-Φ14 | 24 | 201 | 240 | 97 | 25 | 159 | M16*1.5 |
| HEQ3-16 | 650 | 445 | 171 | 175 | 159 | 130 | 100 | 4-Φ18 | 24 | 201 | 240 | 97 | 25 | 159 | M20*1.5 |
| HEQ3-20 | 650 | 445 | 171 | 175 | 159 | 130 | 100 | 4-Φ18 | 24 | 201 | 240 | 97 | 25 | 159 | M20*1.5 |
技術參數
| 參數 | 輸出推力 (N) | 運行時間 (mm/s) | Moter 電機功率 (W) | 行程 (mm) | 額定電流(A) | 手輪 | 參考重量 (Kg) | |||
| 機型 | AC380V | AC220V | AC110V | DC24V | ||||||
| HEQ2-03 | 3000 | 1.0 | 25W | ≤40 | 0.13A | 0.32A | 0.55A | 2.1A | 選配 | 16 |
| HEQ2-04 | 4000 | 30W | 0.17A | 0.37A | 0.71A | 2.7A | ||||
| HEQ3-06 | 6000 | 1.2 | 60W | ≤60 | 0.25A | 0.5A | 1.0A | 6.8A | 25.9 | |
| HEQ3-10 | 10000 | 90W | 0.38A | 0.75A | 1.5A | -- | ||||
| HEQ3-16 | 16000 | 0.83 | 90W | 0.38A | 0.75A | 1.5A | -- | 26.3 | ||
| HEQ3-20 | 20000 | 120W | 0.55A | 1.1A | 2.3A | -- | ||||
注:產品配上模擬量電氣箱,整機重量增加1Kg。
電氣控制原理圖



